倉壁振動器也稱防閉(bì)塞裝置、倉壁振打器,用於(yú)防止和排除各種料倉由於(yú)物料的内摩擦、潮解、帶電、成分偏析等原因引起的“堵塞”、“塔拱”現象;倉壁振動器也稱防閉(bì)塞裝置、倉壁振打器亦可用於(yú)清除各種倉壁、管道粘結物料,還可作爲振動給料機、振動輸送機、振動漏鬥、振動溜槽的振動源等。倉壁振動器也稱防閉(bì)塞裝置、倉壁振打器廣泛應用於(yú)礦山、冶金、化工、建材、機械等各行各業中。
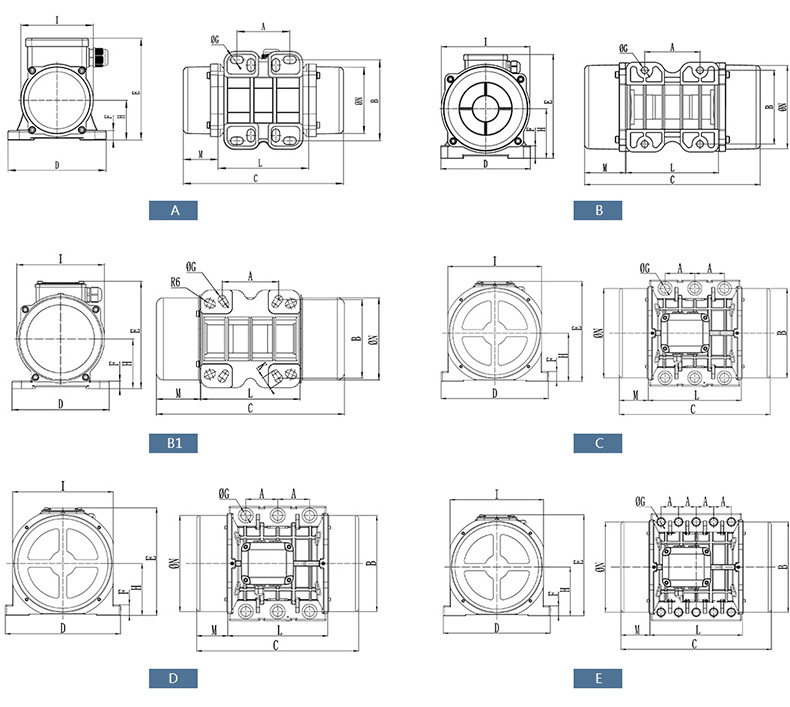
選用時應根據料倉(cāng)形狀及物料特性,選擇不同振動力的振動器。如圓錐形料倉(cāng)因其表面剛度較大,可适當選擇振動力偏大的,棱錐形倉(cāng)料可适當偏小,如單台效果不太好,可選兩台或多台組裝,或直接将倉(cāng)壁振動器也稱(chēng)倉(cāng)壁振打器與料倉(cāng)内活化器連接,以提高使用效果。
安裝位置一般位於(yú)料倉(cāng)錐體高度1/4或小於(yú)1/4處。如安裝兩台以上,可在對稱面的不同高度安裝,對於(yú)木制或混凝土料倉(cāng),可在倉(cāng)壁加裝振動闆以傳遞振動力,活化物料。



工作狀态
當防閉塞裝置工作時,由於(yú)振動電機的高速轉動産生瞭(le)對料倉壁的周期性高頻振動,倉壁振動器因爲這種高頻率的周期性振動,一方面使物料與倉壁脫離接觸、消除物料與倉壁的摩擦,另一方面使物料受交變速度和加速度的影響,處於(yú)不穩定狀态,從而有效地克服物料的内摩擦力和聚集力,以消除料倉内物料間的相對穩定性,使物料從料倉口順利排出。


泛應用於(yú)食品、粉篩、下料、冶金、煤炭、電(diàn)力、建築、化工等行業
大型企業 實力廠家
科技革新 專業技術